User Tools

Site Tools


prm80_dual_band_mod

Dual Band PRM80

Actually 1 head, 2 guts boxes!

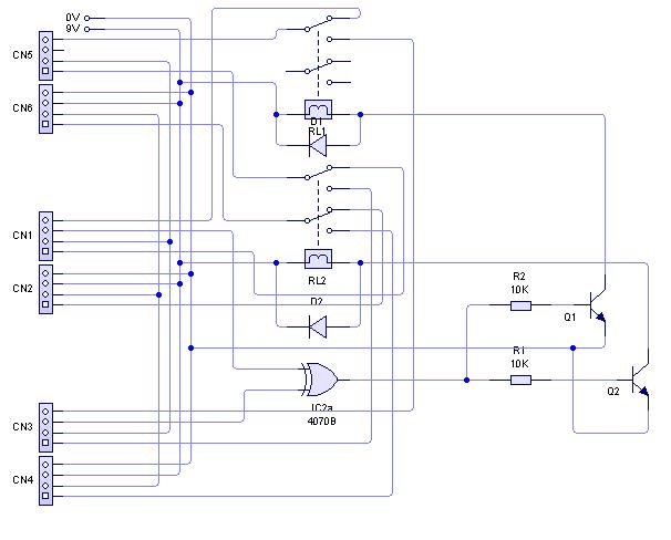
This mod again uses the AUX pin out of the microprocessor to change the radio boxes. Plus it uses an OR gate and flip-flop to swap control over.

You need to disconnect the RX audio feed from the Microphone connector and connect the auxillary pin to this connector then use the following shematic to connect the radio's together.

Circuit Schematic The 3 lots of two connectors grouped together are 8 pin RJ-45 sockets. The program I drew that diagram on did not have a suitable 8 pin plug I could convert to a PCB with. You should get the idea with the diagram.

prm80_dual_band_mod.txt · Last modified: 2018/09/14 13:18 by vk3smb